Принцип работы двигателя виброгрохота, разница между прямым и обратным вращением и его применение

Мы знаем, что сила вибрации вибрационного сита обычно создается вращением двигателя. Направление вращения вибрационного сита — это направление вращения вибрационного двигателя. Количество и направление вращения различных типов двигателей вибрационного сита. тоже разные. Синь Гаонай поможет вам понять принцип работы, а также функции прямого и обратного хода вибрационных двигателей:

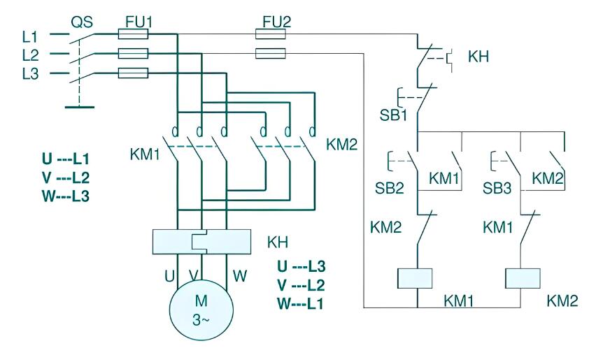
Вибросито контролирует эффект просеивания, изменяя направление и амплитуду вибрации. Такая гибкость позволяет виброгрохоту адаптироваться к различным потребностям просеивания. В частности, вибрационный двигатель вибрационного грохота может осуществлять прямое и обратное вращение, управляя прямой и обратной полярностью источника питания, тем самым изменяя направление силы вибрации. Когда полярность источника питания совпадает с направлением вращения вибрационного двигателя, вибрационный экран вибрирует вперед; когда полярность источника питания противоположна направлению вращения вибрационного двигателя, вибрационный экран вибрирует назад. Такая конструкция позволяет вибрационному грохоту выбирать прямое и обратное направления работы вибрационного двигателя в зависимости от реальной ситуации для достижения наилучшего эффекта просеивания. Различные типы вибрационных сит, такие как вращающиеся вибрационные сита, линейные сита, поворотные сита и т. д., имеют разные направления вращения двигателя, но, как правило, они могут обеспечивать вращение вперед и назад, регулируя направление вращения двигателя, тем самым оптимизируя процесс просеивания.
1. Принцип работы вибрационного двигателя

Вибрационный двигатель — это устройство, которое преобразует электрическую энергию в механическую энергию. Обычно он использует трехфазный асинхронный двигатель и преобразует частоту источника питания в подходящую частоту вибрации через преобразователь частоты. К основным компонентам вибрационных двигателей относятся роторы, статоры, подшипники, муфты и т. д. Во время работы за счет вращения ротора создается центробежная сила, благодаря чему достигается вибрационный эффект.
2. Функции прямого и обратного хода вибрационного двигателя.

Вибрационные двигатели обычно имеют функции прямого и обратного хода, чего можно добиться путем изменения направления тока. Эта функция в основном используется в вибрационных ситах, конвейерах и другом оборудовании для удовлетворения потребностей различных условий труда. Например, в вибрационном грохоте интенсивность и направление вибрации необходимо регулировать в зависимости от типа материала и точности просеивания. Изменяя прямое и обратное вращение вибрационного двигателя, можно добиться различных эффектов просеивания материала.
3. Разница между прямым вращением и обратным вращением


Существует определенная разница в эффекте просеивания материала при вращении вперед и назад вибрационного сита. Вращение вперед имеет лучший эффект просеивания для материалов с высоким содержанием влаги, поскольку колебания в направлении вращения вперед заставят материалы быстро растекаться по поверхности сита, а возмущение также приведет к быстрому вытеканию влаги из материалов. тем самым достигая лучшего эффекта скрининга. Направление нагрузки также отличается. При вращении вперед нагрузка действует на материал на сите в прямом направлении, что легко вызывает перемещение материала в направлении отверстия сита, увеличивая вероятность прохождения материала через сито. экран, но это также легко приведет к его износу. При реверсе нагрузка действует на материал на сите в обратном направлении, что может привести к сдавливанию материала на сите, тем самым увеличивая эффективность просеивания, но это также увеличит нагрузку на двигатель.
4. Применение прямого и обратного хода

Вообще говоря, при грубом просеивании обычно выбирается прямое вращение, при тонком просеивании обычно выбирается обратное вращение; В некоторых особых обстоятельствах, например, когда форма частиц материала неправильная или точность просеивания высока, прямое и обратное вращение также можно использовать взаимозаменяемо, но конкретный выбор необходимо определять в соответствии с фактической ситуацией и производственными потребностями.

Подводя итог, можно сказать, что оценку прямого и обратного вращения двигателя вибрационного грохота можно выполнить, наблюдая за направлением движения материала, проверяя проводку двигателя, используя инструменты для обнаружения и наблюдая за направлением вращения двигателя. Независимо от того, выбираете ли вы прямое или обратное вращение, вам следует обращать внимание на износ сита и вовремя заменять изношенное сито, чтобы не повлиять на эффективность сита. В то же время вам также необходимо обратить внимание на управление ситом; нагрузка двигателя, особенно при выборе обратного вращения, следует избегать перегрузки двигателя.
С 25 августа по 6 октября в XinGaoNai пройдет масштабная акция по самым низким ценам в течение года.
Автор статьи:Xingaonai
Адрес для перепечатки: https://www.xgncrusher.ru/ru-Industralnews/635.html






